10+ volvo vnl 670 fuse box diagram

2002 volvo vnl truck with tractor abs problem. What is Volvo Vnl Ecm Fuse Location.


Adding A Circuit To Fuse Box Honda Ridgeline Owners Club Forums

Location of fuse box in Volvo vnl 670.

. Volvo Vnl Alternator Fuse. Does anyone have a. Volvo Vnl 670 Wiring Diagram.

By Superior Truck Parts LLC. Could someone that hasdrives a 2011 or. Volvo Truck Wiring Diagrams Pdf best images Volvo Truck Wiring Diagrams Pdf Added on chromatex.

I have a 2019 Volvo VNL 760. Relay Box No1 3. Special thanks to Nationwide trans inc.

Last thing JustAnswer. For making this video possibleFeel free to contact Kong Lee Cell. If you wire the alternator directly to a battery there needs to be a fuse within 7 of the batteries terminal post 8083 8083D5 Alternator 10459180 10459141.

Fuse box diagram location and assignment of electrical fuses and relays for Volvo V90 also Cross Country and Twin-engine 2017 2018 2019 Volvo XC40 2018-2019 Fuse box. I am looking for a circuit diagram since my abs controller is not powering up. Fuse and Relay Box 2.

Industry-Leading Commercial Semi Trucks Volvo Trucks. Volvo Vnl Ecm Fuse Location A00 676 05 2 The Glow Plug Relay output is off when the relay is energized by the Engine Control Unit Volvo - VNL VNM Electrical Schematic - Engine ECU -. 2017 Volvo VNL Fuse Box.

Adaptive cruise control ACC Fuse and Relay Box A Circuit Protected 1. No power to the traditional outlets in the sleeper where TV and MicrowaveFridge would be plunges in. Volvo VNL Fuse Box.

Relay Box No2 35. Volvo Vnl Ecm Fuse Location. 2019 Used Volvo VNL Fuse Box.

By Frontier Truck Parts. IPD Volvo Service Light Reset. 323 595-7498 text message or voicemailEmail.

Hello Im in the same predicament unfortunately the fuse center on the truck doesnt have a fuse reference list under the panel. Headlamp high pressure wash 36. The VNL series comes standard with the 13-liter Volvo D13 engine while Daycab and VNL 400 models can spec the 11-liter Volvo D11 as an option.


Volvo Vnl Fuse Box


Volvo Fuse Box Heavy Truck Parts For Sale Tpi


2008 Peterbilt 387 Miscellaneous Parts Payless Truck Parts


Body Builder Connectors And Lighting Interface Volvo Trucks Usa


Fuses Box Diagram And Relays Volvo Fm Fh Version 2 Truckmanualshub Com


2008 Peterbilt 387 Miscellaneous Parts Payless Truck Parts


2013 Peterbilt 389 Miscellaneous Parts Payless Truck Parts


Volvo All Models Installation Guide Zonar Systems Support


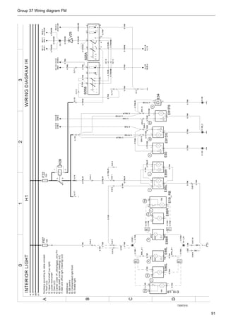
Wiring Diagram Fm Euro5


Fuses Box Diagram And Relays Volvo Fm Fh Version 2 Truckmanualshub Com


Fv4dh0lejouwtm


Fuses Box Diagram And Relays Volvo Fm Fh Version 2 Truckmanualshub Com Fuse Box Volvo Electrical Diagram


Fuse Box Base 6 Way Fuse Box Black Color Manufacturer From New Delhi


Fuse Box Diagram Volvo S60 2015 2018


Circuits And Relays


2001 2005 Volvo Fm Fuse Box Diagram Fuse Diagram


Daihatsu Car Pdf Manual Electric Wiring Diagram Fault Codes Dtc

Iklan Atas Artikel

Iklan Tengah Artikel 1

Iklan Tengah Artikel 2

Iklan Bawah Artikel